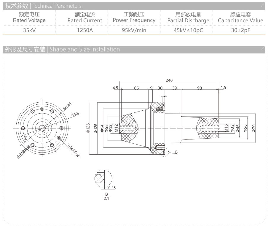
MFL-35/240 C-GIS套管

24小时服务热线:

0577-6176 6622
产品详情

3a.jpg