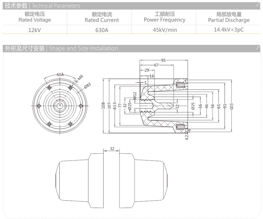
MFL-12-67 侧扩套管

24小时服务热线:

0577-6176 6622

12a.jpg