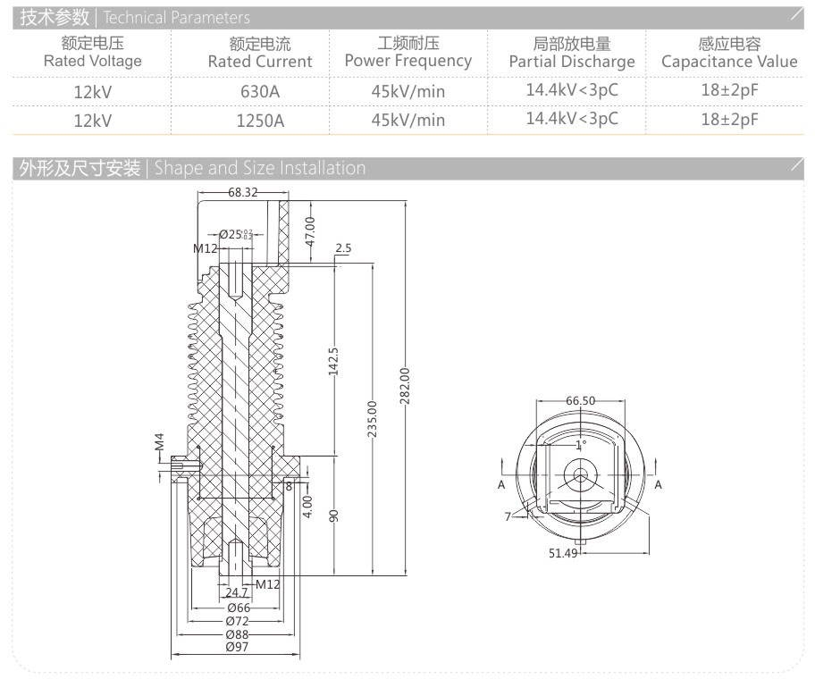
MFL-12-235 套管

24小时服务热线:

0577-6176 6622

6a.jpg