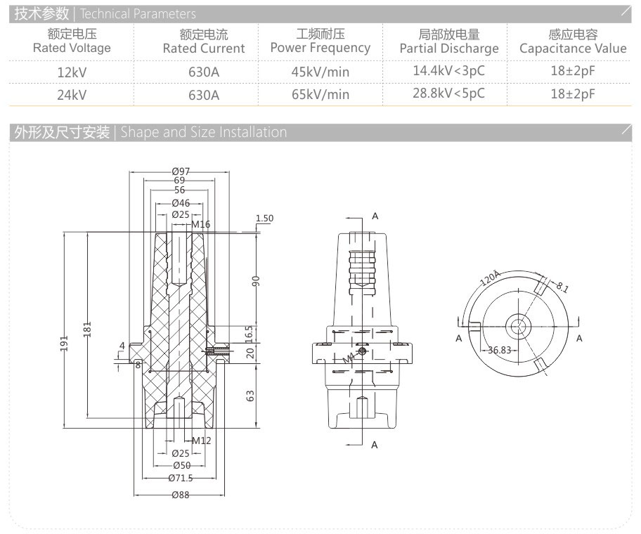
MFL-12-181 圆形套管

24小时服务热线:

0577-6176 6622

2a.jpg